Новости, обзоры и акции
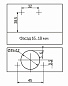
Петля внутренняя без пружины 45мм h0 clip-on AKS 56104
Петля внутренняя без пружины 45мм h0 clip-on AKS 56104, описание:
Преимущества работы с нами
Широкий ассортимент
Вы можете приобрести инструменты как для дома или автомобиля, так и чтобы оборудовать полностью ремонтный сервис всем необходимым.
Гибкость
Если нет в наличии нужных инструментов конкретного производителя, сможем подобрать и скомбинировать его с другим не в ущерб качеству.
Оперативный подход
Оперативный подход. Форс-мажорные и гарантийные случаи решаем 1-2 дня. Доставка выполняется на следующий день после оформления заказа.
Консультация
Подберем подходящее решение исходя из ваших потребностей, задач, бюджета.
Качество
У нас только проверенные бренды. Мы сторонники качества, и вся продукция этому соответствует.
